(4822) 35-33-32
ciklon-tver@mail.ruУстройства выгрузки
Изготавливаем следующие устройства выгрузки из бункеров:
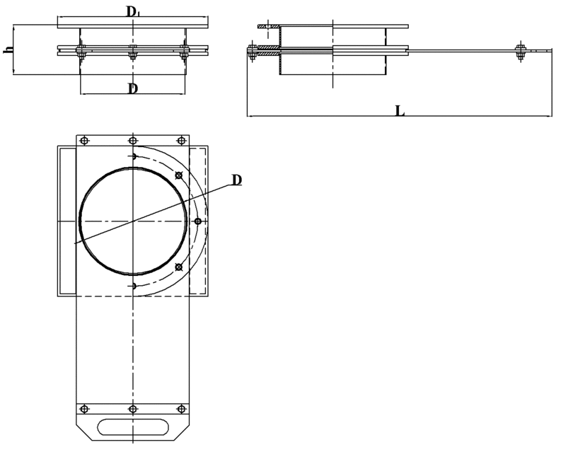
Шиберы самоочищающие Ду

|
Наименование |
D мм |
D1, мм |
L, мм |
h, мм |
Масса, кг |
|
Шибер Ду 200 |
200 |
300 |
700 |
100 |
10 |
|
Шибер Ду 300 |
300 |
400 |
900 |
100 |
17 |
|
Шибер Ду 400 |
400 |
500 |
1100 |
150 |
26 |
|
Шибер Ду 500 |
500 |
600 |
1300 |
150 |
37 |
|
Шибер Ду 600 |
600 |
700 |
1500 |
200 |
49 |
Шиберы самоочищающие АхА

|
Наименование |
АхВ, мм |
С, мм |
L, мм |
h, мм |
Масса, кг |
|
Шибер 200х200 |
200 |
300 |
700 |
100 |
10 |
|
Шибер 300х300 |
300 |
400 |
900 |
100 |
17 |
|
Шибер 400х400 |
400 |
500 |
1100 |
150 |
26 |
|
Шибер 500х500 |
500 |
600 |
1300 |
150 |
37 |
|
Шибер 600х600 |
600 |
700 |
1500 |
200 |
49 |
Челюстные затворы

|
Наименование |
А/А1, мм |
В, мм |
L/L1, мм |
Н, мм |
Масса, кг |
|
Челюстной затвор 300х300 |
300/310 |
420 |
1115/400 |
460 |
83 |
|
Челюстной затвор 400х400 |
400/410 |
500 |
1200/420 |
500 |
105 |
|
Челюстной затвор 500х500 |
500/510 |
603 |
1270/450 |
545 |
143 |
|
Челюстной затвор 600х600 |
600/610 |
640 |
1470/500 |
610 |
180 |
|
Челюстной затвор 800х800 |
792/800 |
850 |
1570/600 |
635 |
226 |
Затворы-мигалки: Ду100, Ду150, Ду200, Ду300, Ду400;

Пылевые затворы:1,3Т (410х410, 200х200, высота 295, длина 920, масса 54 кг)
Пылевые затворы:2,3Т (430х430, 300х300, высота 90, длина 1580, масса 81 кг)



