Пылеуловители ВЗП
Пылеуловитель (циклон) ВЗП работает по принципу центробежной сепарации частиц из газовой среды.
Очищаемый воздух поступает в пылеуловитель двумя потоками через патрубки корпусов завихрителей верхнего и нижнего потоков воздуха. Проходя через корпусы завихрителей, воздушные потоки закручиваются в одну и ту же сторону навстречу друг другу. Пыль под действием центробежной силы отбрасывается к стенке, смывается нисходящим верхним потоком через кольцевую щель под отбойную шайбу в бункер и удаляется из него через переходник с затвором – мигалкой в пылесборник.
Очищенный воздух через центральный выхлопной патрубок выводится из пылеуловителя.
В случае невозможности использовать пылеуловителей в вертикальном положении из-за ограниченной высоты производственного помещения, применяется пылеуловитель ВЗП-Г в горизонтальном исполнении со специальной системой выгрузки улавливаемого продукта.

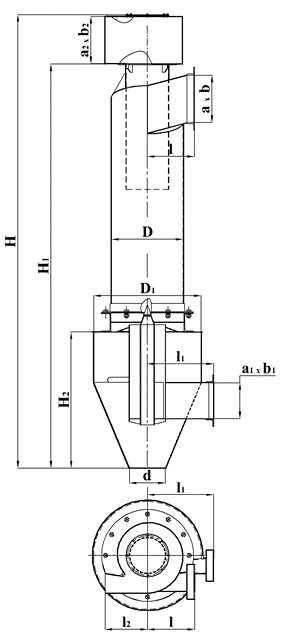
| Пылеуловитель ВЗП с зонтом | Пылеуловитель ВЗП с улиткой |
![]() |
![]() |
|
Наименование |
Производительность, м3/ч |
D |
D1 |
d |
Н |
Н1 |
H2 |
Пылеуловитель ВЗП-200 |
1000 |
200 |
300 |
100 |
1310 |
1140 |
390 |
Пылеуловитель ВЗП-300 |
2500 |
300 |
450 |
150 |
1965 |
1710 |
585 |
Пылеуловитель ВЗП-400 |
4000 |
400 |
600 |
200 |
2620 |
2280 |
780 |
Пылеуловитель ВЗП-450 |
5000 |
450 |
675 |
225 |
2948 |
2565 |
878 |
Пылеуловитель ВЗП-500 |
6000 |
500 |
750 |
250 |
3275 |
2850 |
975 |
Пылеуловитель ВЗП-600 |
8000 |
600 |
900 |
300 |
3930 |
3420 |
1170 |
Пылеуловитель ВЗП-800 |
10000 |
800 |
1200 |
400 |
5240 |
4560 |
1560 |
Пылеуловитель ВЗП-1000 |
15000 |
1000 |
1500 |
500 |
6550 |
5700 |
1950 |
Пылеуловитель ВЗП-1200 |
20000 |
1200 |
1800 |
600 |
7860 |
6840 |
2340 |
Пылеуловитель ВЗП-1300 |
23000 |
1300 |
1950 |
650 |
8515 |
7410 |
2535 |
|
Наименование |
a |
b |
a1 |
b1 |
a2 |
b2 |
l |
l1 |
Масса, кг |
Пылеуловитель ВЗП-200 |
132 |
52 |
100 |
42 |
168 |
66 |
172 |
120 |
52 |
Пылеуловитель ВЗП-300 |
198 |
78 |
150 |
63 |
251 |
99 |
258 |
180 |
116 |
Пылеуловитель ВЗП-400 |
264 |
104 |
200 |
84 |
335 |
132 |
344 |
240 |
160 |
Пылеуловитель ВЗП-450 |
297 |
117 |
225 |
95 |
377 |
149 |
387 |
270 |
205 |
Пылеуловитель ВЗП-500 |
330 |
130 |
250 |
105 |
419 |
165 |
430 |
300 |
330 |
Пылеуловитель ВЗП-600 |
396 |
156 |
300 |
126 |
503 |
198 |
516 |
360 |
463 |
Пылеуловитель ВЗП-800 |
528 |
208 |
400 |
168 |
671 |
264 |
688 |
480 |
820 |
Пылеуловитель ВЗП-1000 |
660 |
260 |
500 |
210 |
838 |
330 |
860 |
600 |
1320 |
Пылеуловитель ВЗП-1200 |
792 |
312 |
600 |
252 |
1006 |
396 |
1032 |
720 |
1800 |
Пылеуловитель ВЗП-1300 |
858 |
338 |
650 |
273 |
1090 |
429 |
1118 |
780 |
2165 |
Пылеуловитель ВЗП-1200


