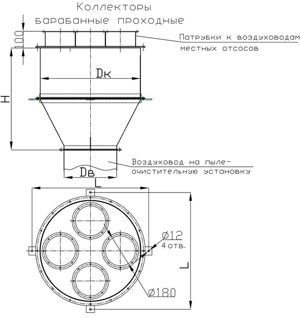
Аспирационные коллекторы
Аспирационные коллекторы серии 5.904-37 на различную производительность разработаны в замен серии ОВ-02-156.
Аспирационные коллекторы являются одним из важнейших элементов аспирационной системы и представляют собой камеры постоянного статического давления, создающего одинаковые аэродинамические условия в местах присоединения к коллекторам отдельных ответвлений.
Коллекторы служат переходным звеном между разветвленными и магистральными участками воздухопроводных сетей, обеспечивающих слияние двух и более воздушных потоков в один суммарный поток.
ТЕХНИЧЕСКИЕ ХАРАКТЕРИСТИКИ КОЛЛЕКТОРОВ БАРАБАННЫХ ПРОХОДНЫХ БП

|
Наименование |
Производительность, м3/ч |
Dв | Dk | H | L | n | Масса |
БП-4 (А2В051.000) |
6480 |
315 |
600 |
710 |
700 |
4 |
38,0 |
БП-6 (А2В052.000) |
9720 |
400 |
750 |
860 |
860 |
6 |
56,0 |
БП-8 (А2В053.000) |
12960 |
450 |
950 |
1080 |
1060 |
8 |
79,0 |
БП-10 (А2В054.000) |
16200 |
500 |
1100 |
1240 |
1240 |
10 |
102,0 |
БП-12 (А2В055.000) |
19440 |
560 |
1200 |
1300 |
1320 |
12 |
116,5 |
БП-14 (А2В056.000) |
24300 |
630 |
1500 |
1700 |
1610 |
15 |
180,0 |
ТЕХНИЧЕСКИЕ ХАРАКТЕРИСТИКИ КОЛЛЕКТОРОВ ГОРИЗОНТАЛЬНЫХ ПРОХОДНЫХ ГП

|
Наименование |
Производительность, м3/час | A | Б | Н | L/L1 | L2/L3 | a | n | Масса |
ГП-4 (А2В064.000) |
6480 |
300 |
300 |
300 |
827/584 | 1000/346 | 200 |
4 |
41,2 |
ГП-6 (А2В065.000) |
9720 |
300 |
400 |
570 |
800/650 | 836/446 |
200 |
6 |
37,5 |
ГП-8 (А2В066.000) |
12960 |
400 |
500 |
570 |
900/705 |
1026/546 |
170 |
8 |
56,4 |
ГП-10 (А2В067.000) |
16200 |
500 |
500 |
570 |
1000/726 |
1300/546 |
150 |
10 |
71,5 |
ГП-12 (А2В068.000) |
19440 |
500 |
600 |
570 |
2100/1400 |
1452/646 |
240 |
12 |
146,6 |
ТЕХНИЧЕСКИЕ ХАРАКТЕРИСТИКИ КОЛЛЕКТОРОВ ВЕРТИКАЛЬНЫХ ПРОХОДНЫХ ВП

|
Наименование |
Производительность, м3/ч |
Dв | D | H | L | n | Масса |
ВП-4 (А2В057.000) |
6480 |
400 | 480 |
650 |
480 |
4 |
53,7 |
ВП-6 (А2В058.000) |
9720 |
450 |
540 |
690 |
530 |
6 |
67,5 |
ВП-8 (А2В059.000) |
12960 |
500 |
600 |
740 |
580 |
8 |
82,2 |
ВП-10 (А2В060.000) |
16200 |
560 |
700 |
790 |
664 |
10 |
100,8 |
ВП-12 (А2В061.000) |
19440 |
630 |
900 |
875 |
736 |
12 |
142,6 |
ТЕХНИЧЕСКИЕ ХАРАКТЕРИСТИКИ КОЛЛЕКТОРОВ КОНУСНЫХ ПРОХОДНЫХ КП

|
Наименование |
Производительность, м3/ч |
Dв | D | H | L | n | Масса |
КП-4 (А2В069.000) |
6480 |
400 | 700 |
445 |
744 |
4 |
23,9 |
КП-6 (А2В070.000) |
9720 |
450 |
900 |
547 |
944 |
6 |
78,3 |
КП-8 (А2В071.000) |
12960 |
500 | 1000 |
560 |
1044 |
8 |
47,8 |
КП-10 (А2В072.000) |
16200 |
560 |
1200 |
625 |
1300 |
10 |
74,7 |
ТЕХНИЧЕСКИЕ ХАРАКТЕРИСТИКИ КОЛЛЕКТОРОВ ВЕРТИКАЛЬНЫХ КРКГЛЫХ ВК

|
Наименование |
Производительность, м3/ч |
Dв | Dk | H | L | d | Масса |
ВК-1 (А2В041.000) |
7000 |
500 |
800 |
5740 |
1080 |
18 |
358 |
ВК-2 (А2В042.000) |
12000 |
630 |
1000 |
6070 |
1280 |
18 | 449 |
ВК-3 (А2В043.000) |
20000 |
800 |
1200 |
6300 |
1480 |
18 | 666 |
ВК-4 (А2В044.000) |
30000 |
900 |
1200 |
6670 |
1950 |
23 |
1121 |
ВК-5 (А2В045.000) |
50000 | 1000 |
2000 |
7300 |
2400 |
23 |
1437 |
ТЕХНИЧЕСКИЕ ХАРАКТЕРИСТИКИ КОЛЛЕКТОРОВ БАРАБАННЫХ АСПИРАЦИОННЫХ БА

|
Наименование |
Производительность, м3/ч |
Dв | Dk/D | H | L | d | Масса, |
БА-00 (А2В046.000) |
5000 | 315 |
500/1000 |
1506 |
1280 | 18 | 115.3 |
БА-0 (А2В047.000) |
7000 |
400 |
600/1200 |
1686 |
1480 | 18 | 228,0 |
БА-1 (А2В048.000) |
10000 |
500 |
800/1600 |
1786 |
1880 |
22 | 418,0 |
БА-2 (А2В049.000) |
15000 |
630 |
1000/2000 |
2276 |
2320 | 22 | 579,0 |
БА-3 (А2В050.000) |
30000 | 800 |
1200/2400 |
2756 |
2750 | 22 | 782.3 |